アルミフレームの加工を進めています。
加工といっても大部分は端面にM5タップを立てるだけですが…フレーム1本につき穴が4か所、これが8本あるので32個の穴にタップを立てる必要があります。ハンドタップでやってるのでまあまあ大変。
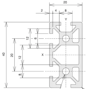
当初は8本すべて同一の4面溝フレームを使うつもりだったのですが、底面だけ3面溝のフレーム(SF-20・40・1F)に変更することにしました。

こういう1面だけ溝がないフレームです。

寸法こんな感じなんですが、この真ん中の中空部分の幅12mmというのが実に都合よくて、アリガタプレートとモーターの接続端子を固定できそうなんです。
まずアリガタの固定について、真ん中にM6の長孔が空けてあるアリガタが多いです。そこで使うのが、M6の四角ナット。私が今使っているアルミフレームはSUS製のものなんですが、この四角ナットは別のメーカーのアルミフレーム用のものみたいです。コイツの幅が10mmなので、12mm幅の部分に入れてやればナットが空回りせず外側からM6でアリガタを固定できるというわけです。
次にモーターの接続端子には多治見無線のワンタッチコネクタEPRC05を調達しました。そのSF型レセプタクルEPRC05-RB5Fが差込部径9mmなので、12mm幅の部分に取り付けできそうです。
問題はこの3面溝フレーム、モノタロウで取り扱いがなかったんですよね…しかたないのでAmazonで200mmのを入手して手ノコで切断を試みたんですが、まっすぐ切るのが難しすぎる!1本だけ奇跡的に成功しましたが2本は全くダメ、1本もビミョーな仕上がりになってしまいました。
そこで、ダメ元でモノタロウに取り扱い希望出してみたら、なんと数日で定尺品と10mm単位カット品を取り扱いしてくれることになりました!モノタロウ神。MONOTARO IS GOD. 早速買います。

切るのに失敗したフレームをテスト加工。アリエクで調達した100mmのアリガタでちょうどいい感じ。

No comments yet.